Brushless DC Drivers (BLDC)

Automotive 3-Phase Isolator MOSFET Driver with Reverse Battery and Battery Disconnect Channels

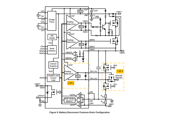
A89103

The A89103 provides three independent gate drives that can disconnect a motor from its drive circuitry to allow secondary system to take over control. The device includes additional drivers for battery disconnect and reverse battery isolation.

Product Details

Top Features

  • Five floating N-channel MOSFET drives
  • Maintains VGS with 100 kΩ gate-source resistors
  • Integrated charge pump controller
  • 4.5 to 85 V supply voltage operating range
  • Supports source-to-source and drain-to-drain battery MOSFET isolation
  • VCP and VGS undervoltage protection
  • 150°C ambient (165°C junction) continuous
  • Fully integrated diagnostics for safe motor phase and battery disconnect
  • Extensive programmable diagnostics    
  • Diagnostic verification
  • Automotive AEC-Q100 qualified

Part Number Specifications and Availability

Design Tools