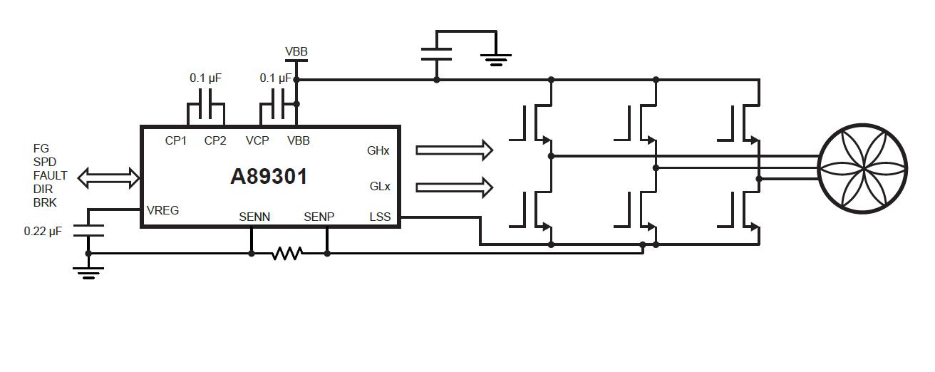
Brushless DC Drivers (BLDC)

Ultra-Quiet, Code-Free, FOC Sensorless BLDC Motor Controller

A89301

Product Details

Top Features

  • Coding-free sensorless field-oriented control (FOC)
  • I2C interface for speed control and status readback
  • Ultra-quiet low speed operation
  • Proprietary non-reverse fast startup
  • Soft-On Soft-Off (SOSO) for quiet operation
  • Analog / PWM / Clock mode speed control
  • Closed-loop speed control
  • Configurable current limit
  • Windmill startup operation
  • Lock detection
  • Short-circuit protection (OCP)
  • Brake and direction inputs
  • Adjustable gate drive

Part Number Specifications and Availability

Design Tools