Brushless DC Drivers (BLDC)

Three-Phase Sensorless Drivers

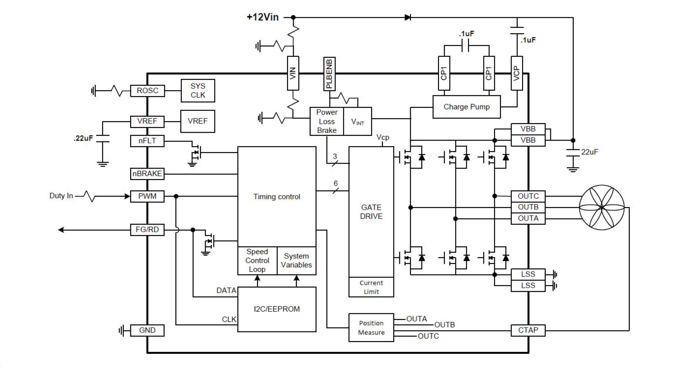
A89331,A89332

The A89332 and A89332-1 enable faster, high speed 1U fans all in a smaller, compact footprint.

Product Details

Top Features

  • Closed Loop Speed Control
  • Overvoltage Protection
  • Power Loss Brake – A89331, A89332
  • AC Loss – A89331-1, A89332-1
  • High Maximum Voltage (36 V) A89332, A89332-1
  • Sized for 1U and 2U Fans 

Part Number Specifications and Availability

Design Tools