Brush DC Drivers

Microstepping DMOS Driver with Translator

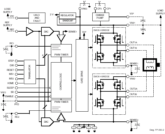
A3977

Product Details

Top Features

  • ±2.5 A, 35 V output rating
  • Low rDS(ON) outputs, 0.45 Ω source, 0.36 Ω sink typical
  • Automatic current decay mode detection/selection
  • 3.0 to 5.5 V logic supply voltage range
  • Mixed, fast, and slow current decay modes
  • Home output
  • Synchronous rectification for low power dissipation
  • Internal UVLO and thermal-shutdown circuitry
  • Crossover-current protection

Part Number Specifications and Availability

Design Tools