Brush DC Drivers

DMOS Microstepping Driver with Translator and Overcurrent Protection

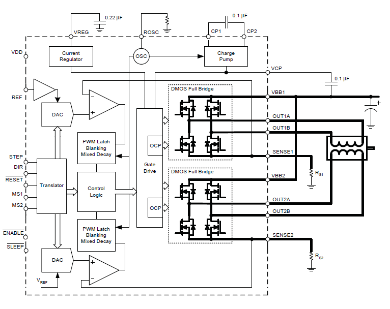
A4984

Product Details

Top Features

  • Low RDS(ON) outputs
  • Automatic current decay mode detection/selection
  • Mixed and Slow current decay modes
  • Synchronous rectification for low power dissipation
  • Internal UVLO
  • Crossover-current protection
  • 3.3 and 5 V compatible logic supply
  • Thin profile QFN and TSSOP packages
  • Thermal shutdown circuitry
  • Short-to-ground protection
  • Shorted load protection
  • Low current Sleep mode, <10 µA
  • No smoke no fire (NSNF) compliance (ET package)

Part Number Specifications and Availability

Design Tools