LED Drivers

LED Driver with Pre-Emptive Boost for Ultra-High Dimming Ratio and Low Output Ripple

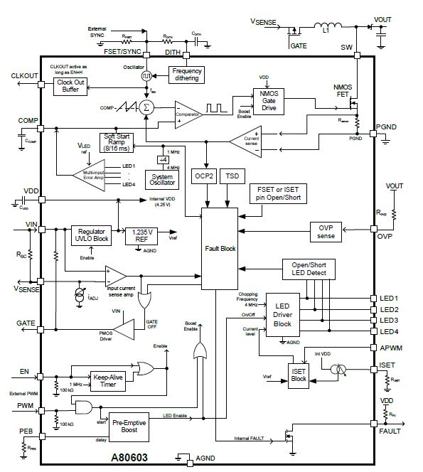
A80603

Product Details

Top Features

  • Automotive AEC-Q100 qualified
  • Enhanced fault handling for ASIL B system compliance
  • Wide input voltage range of 4.5 to 40 V for start/stop, cold crank, and load dump requirements
  • Fully integrated LED current sinks and boost converter with internal power MOSFET
  • Operate in Boost or SEPIC mode for flexible output
  • Drives up to 11 series white LED in 4 parallel strings, at up to 120 mA per string (VF = 3.3 V max).
  • Boost switching frequency synced externally or programmed from 200 kHz to 2.3 MHz
  • Clock-Out feature for internal switching frequency
  • Adjustable boost frequency dithering to reduce EMI
  • Advanced control allows minimum PWM on-time down to 0.3 μs, and avoids MLCC audible noises
  • LED contrast ratio: 15,000:1 at 200 Hz using PWM dimming alone, 150,000:1 when combining PWM and analog dimming
  • Excellent input voltage transient response even at lowest PWM duty cycle
  • Gate driver for optional PMOS input disconnect switch
  • Extensive protection against:
    • Shorted boost switch, inductor or output capacitor
    • Shorted FSET or ISET resistor
    • Open or shorted LED pins and LED strings
    • Open boost Schottky diode
    • Overtemperature

Typical Applications

 

Part Number Specifications and Availability

Design Tools

Technical Documentation