ブラシ DC およびステッパ ドライバー

Relay Driver with 5 V Regulator for Automotive Applications

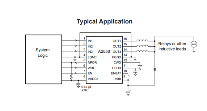
A2550

Product Details

Top Features

  • Three independent low-side DMOS output drivers 
  • Short-circuit protection of drivers 
  • Eliminates need for flyback diodes on relays 
  • Thermal shutdown 
  • Separate precision 5 V regulator (2%) 
  • Current clamp on 5 V regulator 
  • 16-pin TSSOP package with exposed thermal pad 
  • Programmable reset (NPOR) delay time 
  • Programmable watchdog 
  • Automotive voltage and temperature ranges 
  • Active clamps for automotive load dump specifications 
  • Lead (Pb) free 

Part Number Specifications and Availability

Design Tools

Technical Documentation