ブラシ DC およびステッパ ドライバー

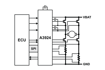
A3924: 自動車用フル ブリッジ MOSFET ドライバ

A3924

Product Details

Top Features

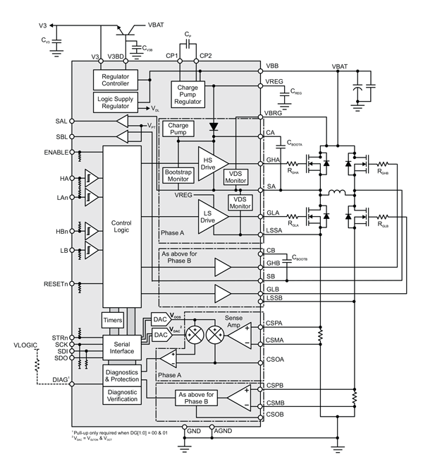
  • フル ブリッジ MOSFET ドライバ
  • N-ch MOSFET ブリッジ 向けのブートストラップ ゲート ドライバ
  • デッド タイム調整を用いたクロス コンダクション保護
  • 低電源電圧動作用のチャージ ポンプ
  • プログラム可能なゲート駆動電圧
  • 電源電圧の範囲は5.5 ~ 50 V
  • ロジックの電源を統合化
  • 2つの電流検出アンプを統合化
  • SPI 準拠のシリアル インターフェイス
  • ロジック入力またはシリアル インターフェイスによるブリッジ コントロール
  • TTL コンパチブルなロジック入力
  • 負荷開放状態の検出
  • プログラム可能な幅広い診断機能
  • 診断検証
  • 安全性を支援する機能

Part Number Specifications and Availability

Design Tools

Technical Documentation