ブラシ DC およびステッパ ドライバー

Gate Driver ICs for Automotive Applications

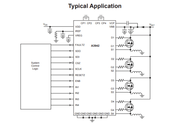
A3942-A3944

Product Details

Top Features

  • 4.5 to 60 V input voltage range
  • Charge pump for 100% duty cycle operation (A3942)
  • SPI port for control and fault diagnostics
  • Device protection features:
  • Short-to-ground detection 
  • Short-to-battery protection 
  • Open load detection
  • VDD undervoltage lockout
  • VCP undervoltage lockout
  • Thermal monitor
 

Part Number Specifications and Availability

Design Tools