LED ドライバー

High Power LED Driver with Pre-Emptive Boost for Ultra-High Dimming Ratio and Low Output Ripple

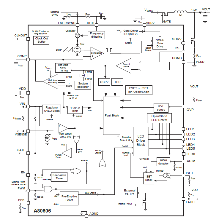
A80606

Product Details

Top Features

  • Patented Control Scheme Provides Industry-Best PWM Dimming Ratio
  • Completely Eliminates “Cap Singing” Noise
  • Low EMI solution to meet strict OEM EMC requirements
  • ASIl-B system-level support for ADAS Cluster user interface
  • Latest device increases output to over 1 Amp

Part Number Specifications and Availability

Design Tools

Technical Documentation