Brush DC Drivers

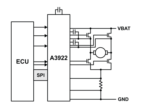
Automotive, Full-Bridge MOSFET Driver

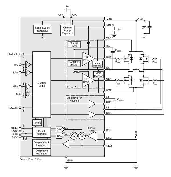
A3922

Product Details

Top Features

  • Full-bridge MOSFET Driver
  • Bootstrap gate drive for N-channel MOSFET bridge
  • Cross-conduction protection with adjustable dead time
  • Charge pump for low supply voltage operation
  • Programmable gate drive voltage
  • 5.5 to 50 V supply voltage operating range
  • Integrated current sense amplifier
  • SPI compatible serial interface
  • Bridge control by direct logic inputs or serial interface
  • TTL-compatible logic inputs
  • Open-load detection
  • Extensive programmable diagnostics
  • Diagnostic verification
  • Safety-assist features

Part Number Specifications and Availability

Design Tools