有刷直流和步进电机驱动器

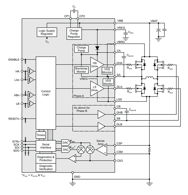
A3922:汽车用全桥 MOSFET 驱动器

A3922

Product Details

Top Features

  • 全桥 MOSFET 驱动器
  • 用于 N 通道 MOSFET 桥的自举栅极驱动
  • 通过可调节无感时间进行交叉传导保护
  • 低电源电压下运行的电荷泵
  • 可编程栅极驱动电压
  • 5.5 至 50V 电源电压运行范围
  • 集成电流感应放大器
  • SPI 兼容串行接口
  • 通过直接逻辑输入或串行接口进行桥控制
  • 与 TTL 兼容的逻辑输入
  • 开路负载检测
  • 广泛的可编程诊断
  • 诊断验证
  • 安全辅助功能

Part Number Specifications and Availability

Design Tools

Technical Documentation