Brush DC Drivers

Automotive, Programmable Stepper Driver

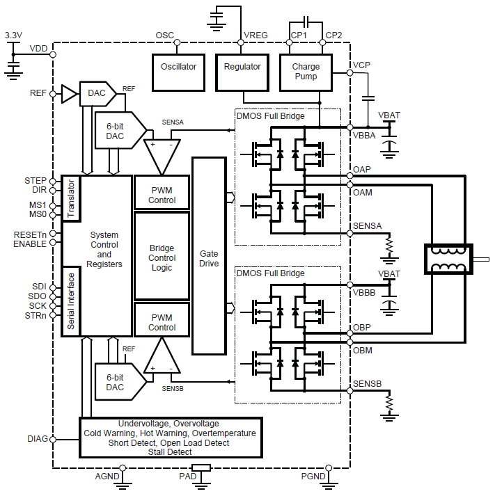
A3981

Product Details

Top Features

  • Peak motor current up to ±1.4 A, 28 V
  • Low RDS(on) outputs, 0.5 Ω source and sink, typical
  • Automatic current decay mode detection/selection
  • Mixed, Fast, and Slow current decay modes
  • Synchronous rectification for low power dissipation
  • Internal OVLO, UVLO, and Thermal Shutdown circuitry
  • Crossover-current protection
  • Short circuit and open load diagnostics
  • Hot and cold thermal warning
  • Stall detect features
  • SPI-compatible or simple Step and Direction motion control
  • Highly configurable via SPI-compatible serial interface

Part Number Specifications and Availability

Design Tools