有刷直流和步进电机驱动器

A3981: 汽车可编程步进驱动器

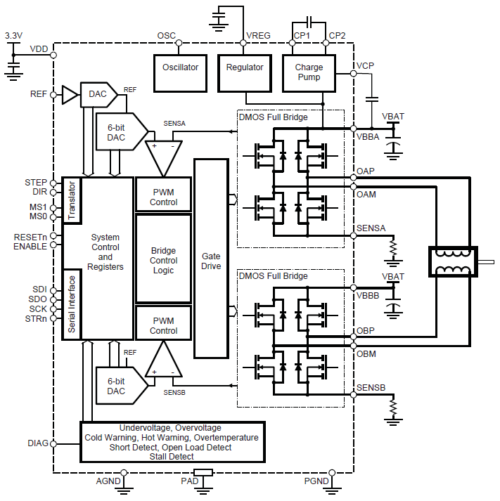
A3981

Product Details

Top Features

  • 典型应用 ±750 mA、28 V
  • 低 RDS(开)输出,一般为 0.5   Ω源极和灌电流
  • 自动电流衰减模式检测/选择
  • 混合、快、慢电流衰减模式
  • 同步整流,减少功率耗散
  • 内部过压锁定(OVLO)、欠压锁定 (UVLO) 与过热关机电路
  • 交叉电流保护
  • 短路和断路诊断
  • 高温和低温警告
  • 失速检测功能
  • SPI 兼容型或简单的步进和方向运动控制
  • 通过 SPI 兼容型串行接口提高可配置性

Part Number Specifications and Availability

Design Tools