Brush DC Drivers

Microstepping Programmable Stepper Motor Driver with Stall Detect and Short Circuit Protection

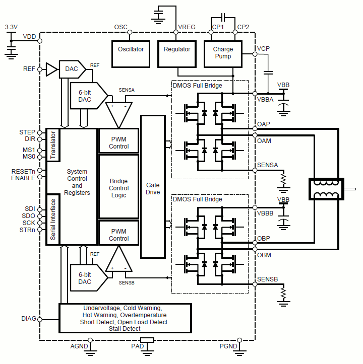
A4979

Product Details

Top Features

  • Typical application up to 1.5 A, 50 V
  • Stall detect features
  • Low RDS(on) outputs, 0.5 Ω source and sink, typical
  • Automatic current decay mode detection/selection
  • Mixed, Fast, and Slow current decay modes
  • Synchronous rectification for low power dissipation
  • Internal UVLO and Thermal Shutdown circuitry
  • Crossover-current protection
  • Short circuit and open load diagnostics
  • Hot and cold thermal warning
  • SPI-compatible or simple Step and Direction motion control
  • Highly configurable via SPI-compatible serial interface

Part Number Specifications and Availability

Design Tools