有刷直流和步进电机驱动器

A4979:微步可编程步进电动机驱动器

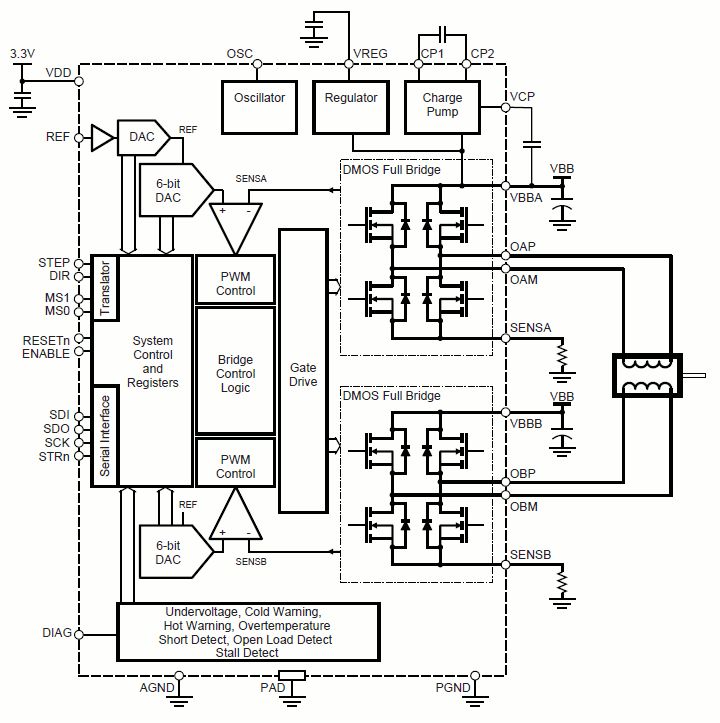
A4979

Product Details

Top Features

  • 典型应用达 1.5 A,50 V
  • 低 RDS (开启)输出,0.5 Ω汲取电流,典型
  • 自动电流衰减模式检测/选择
  • 混合、快速及慢速电流衰减模式
  • 低功耗同步整流
  • 内部 UVLO 及热关闭电路
  • 交叉电流保护
  • 短路及开路负载诊断
  • 高温和低温警告
  • 失速检测功能
  • 兼容 SPI 或简易的步进和方向运动控制
  • 通过兼容 SPI 的串行接口实现了高度可配置性能

Part Number Specifications and Availability

Design Tools