Brush DC Drivers

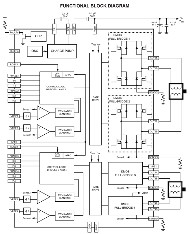
Quad DMOS Full-Bridge PWM Motor Driver

A5990

Product Details

Top Features

  • 40 V output rating
  • 4 full bridges
  • Dual stepper motor driver
  • High-current outputs
  • QuietStep option
  • Adjustable off-time
  • 3.3 and 5 V compatible logic supply
  • Synchronous rectification
  • Internal undervoltage lockout (UVLO)
  • Thermal shutdown circuitry
  • Crossover-current protection
  • Overcurrent protection
  • Low-power sleep mode
  • Low-profile QFN package

Part Number Specifications and Availability

Design Tools