有刷直流和步进电机驱动器

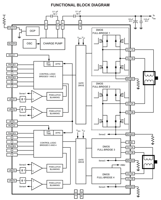
A5990:四路 DMOS 全桥式 PWM 电机驱动器

A5990

Product Details

Top Features

  • 40 V 输出率
  • 四路全桥式
  • 双路步进电机驱动器
  • 高电流输出
  • 自适应快速衰减选项
  • 可调节关断时间
  • 兼容 3.3 和 5 V 逻辑电源
  • 同步整流
  • 内部欠压锁定 (UVLO)
  • 热关机电路
  • 交叉电流保护
  • 过电流保护
  • 低功率休眠模式
  • 扁平型 QFN 封装

Part Number Specifications and Availability

Design Tools