Product Details
Product Details
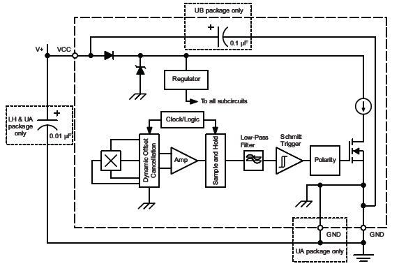
Top Features
- AEC-Q100 automotive qualified
- High-speed, 4-phase chopper stabilization
- Low switchpoint drift throughout temperature range
- Low sensitivity to thermal and mechanical stresses
- On-chip protection
- Supply transient protection
- Reverse-battery protection
- On-board voltage regulator
- 3 to 24 V operation
- Solid-state reliability
- Robust EMC and ESD performance
- Industry-leading ISO 7637-2 performance through use of proprietary, 40-V clamping structures
- Extended Operating Ambient temperature range, -40°C to 150°C
- UB package option with integrated 0.1 µF bypass capacitor
- -F option: Factory set temperature coefficient (TC) for use with ferrite magnets
Part Number Specifications and Availability
Technical Documentation
Application Note
Allegro Microsystems - Chemical Exposure of Devices
Application Note
Allegro Hall-Effect Sensor ICs
Application Note
Handling, Storage, and Shelf Life of Semiconductor Devices
Application Note
Vehicle Safety Systems
Guide
Hall-Effect IC Applications Guide
Guide
Guidelines for Designing Subassemblies Using Hall-Effect Devices
Technical Article