ブラシレス DC ドライバー

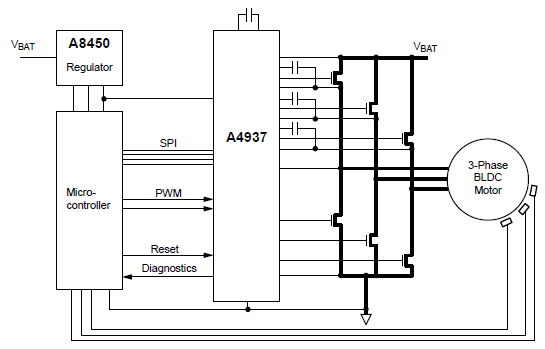
A4937: 自動車用 3 相 MOSFET ドライバ

A4937

Product Details

Top Features

  • N チャネル MOSFET 用高電流 3 相ゲート ドライブ
  • SPI 対応のシリアル制御
  • クロスコンダクション防止
  • プログラム可能なデッド タイム
  • 5.5 ~ 50 V の電源電圧範囲
  • 3.3 V および 5 V ロジックに対応 の TTL 入力
  • 幅広い診断出力
  • 低電流スリープ モード

Part Number Specifications and Availability

Design Tools