ブラシレス DC ドライバー

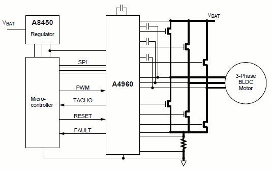
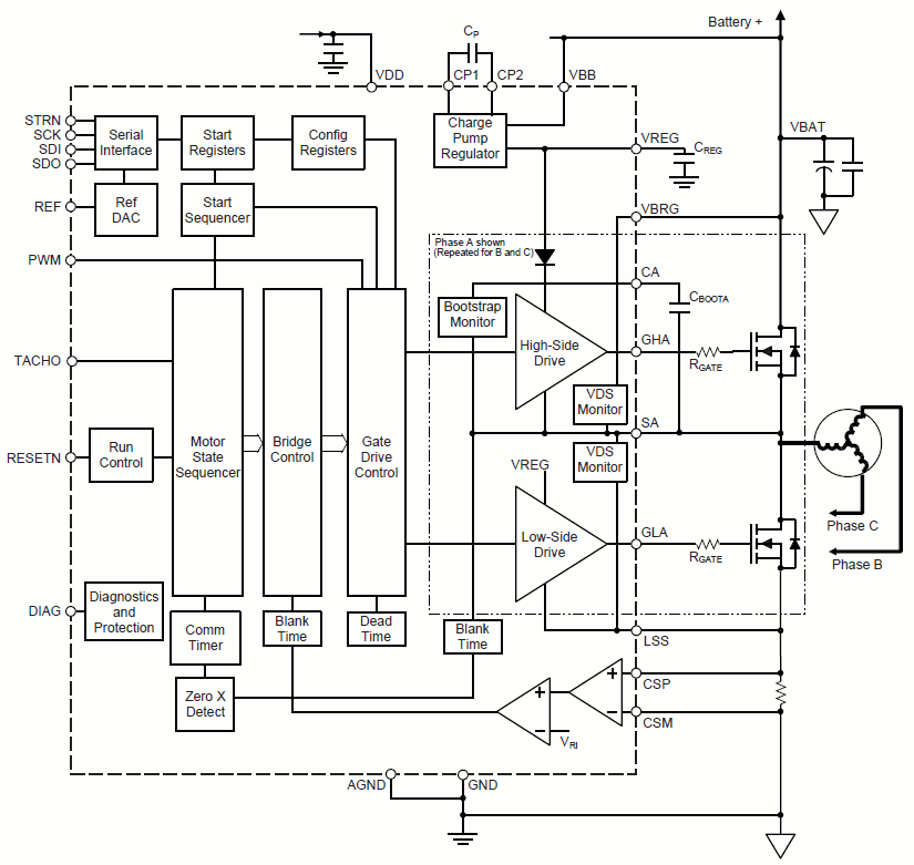
A4960: 自動車用センサーレス BLDC コントローラ

A4960

Product Details

Top Features

  • 3 相 BLDC センサーレス起動およびコミュテーション
  • N チャネル MOSFET 用のゲート ドライブ
  • 組み込みの PWM 電流制限
  • 7 ~ 50 V の動作電源電圧範囲
  • 3.3 V および 5 V ロジックに対応
  • 調整可能なデッド タイムによるクロスコンダクション防止
  • 低電源電圧動作用のチャージ ポンプ
  • 幅広い診断出力
  • 低電流スリープ モード

Part Number Specifications and Availability

Design Tools

Technical Documentation