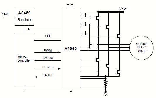
无刷直流驱动器

A4960: 无传感器 BLDC 控制器

A4960

Product Details

Top Features

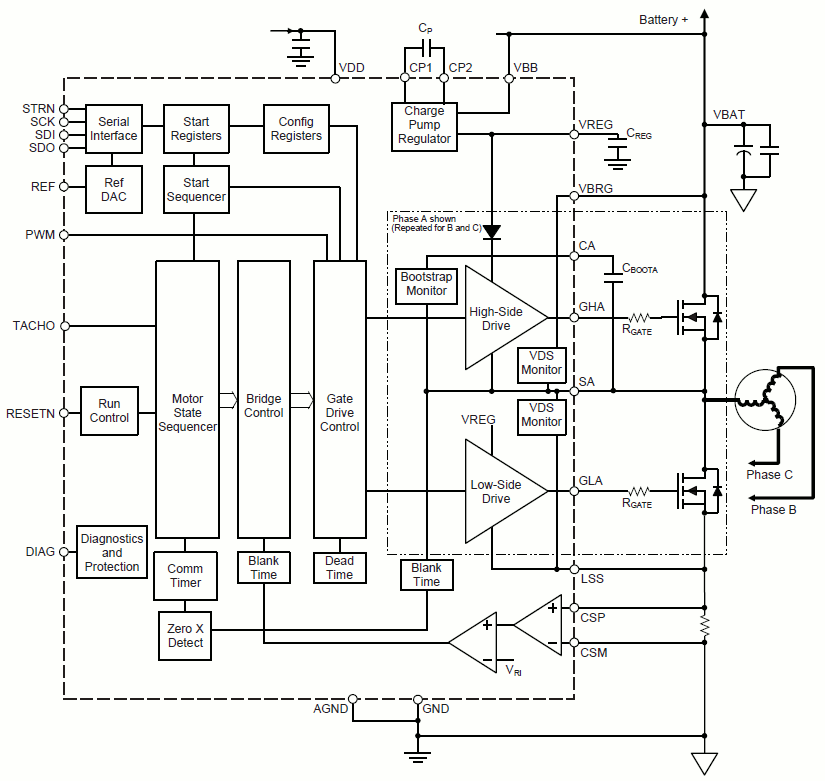
  • 3 相 BLDC 无传感器启动与换相
  • 用于 N 通道 MOSFET 的栅极驱动
  • 集成 PWM 电流限制
  • 7 至 50 V 电源电压运行范围
  • 可与 3.3 V 及 5 V 逻辑器件兼容
  • 通过可调无感时间进行交叉传导保护
  • 电荷泵供低电源电压运行
  • 全面诊断输出
  • 低电流休眠模式

Part Number Specifications and Availability

Design Tools