ブラシ DC およびステッパ ドライバー

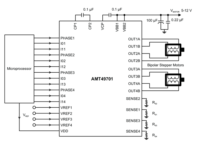
AMT49701:クワッドDMOSフルブリッジPEMモータードライバー

AMT49701

Product Details

Top Features

  • 定格出力18V
  • 4つのフルブリッジ
  • デュアル ステッピング モータードライバー
  • 高電流出力
  • 3.3Vおよび5V論理に対応
  • 同期整流
  • 内部低電圧ロックアウト (UVLO)
  • サーマル シャットダウン回路
  • クロスオーバー電流保護
  • 過電流保護
  • 薄型 QFN パッケージ

Part Number Specifications and Availability

Design Tools

Technical Documentation