有刷直流和步进电机驱动器

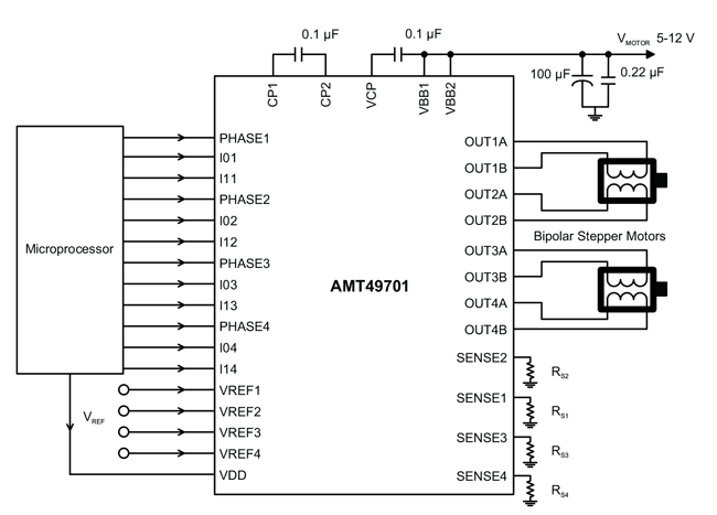
AMT49701:四路 DMOS 全桥式 PWM 电机驱动器

AMT49701

Product Details

Top Features

  • 18 V 输出率
  • 四路全桥式
  • 双路步进电机驱动器
  • 高电流输出
  • 兼容 3.3 和 5 V 逻辑电位
  • 同步整流
  • 内部欠压锁定 (UVLO)
  • 热关机电路
  • 交叉电流保护
  • 过电流保护
  • 扁平型 QFN 封装

Part Number Specifications and Availability

Design Tools

Technical Documentation