ブラシ DC およびステッパ ドライバー

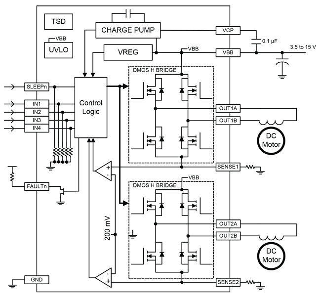
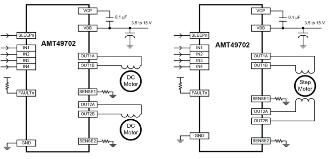
AMT49702:デュアル DMOS フル ブリッジ モータ ドライバ

AMT49702

Product Details

Top Features

  • AEC-Q100 グレード 1 準拠
  • 3.5 ~ 15 V の広い入力電圧で動作
  • デュアル DMOS フル ブリッジ: DC モータ 2 つまたはステッピング モータ 1 つを駆動
  • 低 RDS(ON) 出力
  • 同期整流で消費電力を削減
  • 低電流のスリープ モード
  • 過電流保護
  • 低電圧ロックアウトとサーマル シャットダウン回路内蔵
  • チャージ ポンプ内蔵

Part Number Specifications and Availability

Design Tools