有刷直流和步进电机驱动器

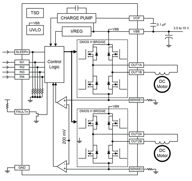
AMT49702:双 DMOS 全桥式电动机驱动器

AMT49702

Product Details

Top Features

  • 符合 AEC-Q100 1 级标准的
  • 3.5 至 15 V 输入电压工作范围
  • 双 DMOS 全桥式:可驱动两个直流电机或单个步进电机
  • 低 RDS(on) 输出
  • 同步整流,降低功耗
  • 弱电流休眠模式
  • 过电流保护
  • 内部 UVLO 和热关机电路
  • 集成电荷泵

Part Number Specifications and Availability

Design Tools