LED ドライバー

A6274, A6274-1, A6284, A6284-1: 車載用LEDアレイ向け リニア電流レギュレータとコントローラ

A6274-A6284

Product Details

Top Features

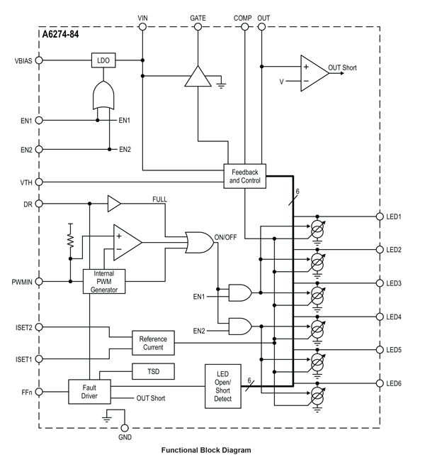
  • 最大 60 mA (A6274) または 120 mA (A6284)定格の6つのLED 電流シンク
  • トータルのLED駆動電流は最大 360 mA または 720 mA
  • 始動/停止、低温下の始動、負荷切断の要求を満たす5 ~ 42 Vの広範な入力電圧幅
  • 低ドロップアウト電圧 ― 7Vからの入力で2つの並列 WLEDを駆動
  • 外部P-MOSFET で均衡するゲート ドライバー
  • LEDは2つのグループにより構成され、個別のENx と ISETxを使用出来ます
  • 参照抵抗によりLED電流を設定
  • 内部または外部 PWM 調光
  • PWM 時の電流スルーレート制限により、EMIを抑止
  • フォルト検出機能は: LED ストリングの開放、LED ピン対グランド短絡、単一LED短絡、VOUTの対グラウンド短絡、VIN の過電圧、そして過熱保護
  • 入力電圧と温度に準じた ディレーディング
  • 車載向け K-温度範囲 (–40°C ~ 150°C)

Part Number Specifications and Availability

Design Tools