LED 驱动器

A6274、A6274-1、A6284 和 A6284-1:用于汽车 LED 阵列的线性电流稳压器和控制器

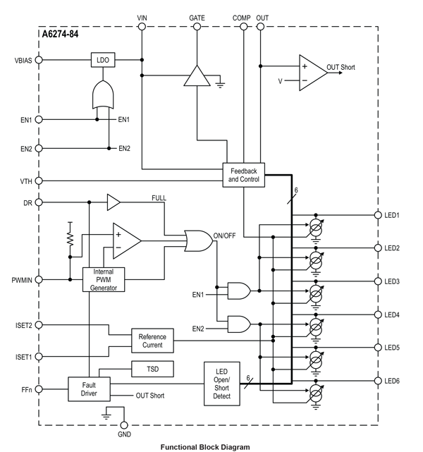
A6274-A6284

Product Details

Top Features

  • 6 个 LED 灌电流最大额定值可达 60 mA (A6274) 或 120 mA (A6284)
  • LED 驱动电流高达 360 mA 或 720 mA
  • 5 至 42 V 宽输入电压范围,可满足启动/关闭、冷启动和甩负荷要求
  • 低压降 — 使用 7 V 输入电压驱动 WLED 两大系列
  • 用于外部镇流 P-MOSFET 的门极驱动器
  • 组装的两组 LED 带有单独的 ENx 和 ISETx
  • 外部参考电阻器可调节 LED 电流大小
  • 内部或外部 PWM 调光
  • 受控输出驱动器能够在 PWM 过程中突变,以降低 EMI
  • 故障检测功能:LED 串开路、LED 引脚接地短路保护、单个 LED 短路保护、VOUT 接地短路保护、VIN 过压和热保护
  • 输入电源和基于温度的电流降额
  • 汽车 K-温度范围:–40°C 至 150°C

Part Number Specifications and Availability

Design Tools