レギュレーター

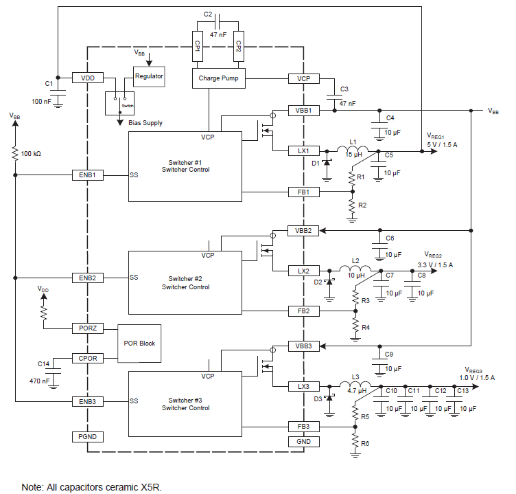
A4491:トリプル出力ステップダウン スイッチング レギュレータ

A4491

Product Details

Top Features

  • 1 つのパッケージに 3 つの降圧コンバータ
  • 4.5 ~ 23 V の入力電圧範囲
  • 550 kHz の固定周波数
  • 小型コンポーネントおよび低 EMI 用の多相スイッチング
  • シーケンスおよびシャットダウン制御用の各コンバータでの独立制御
  • 調整可能な遅延付きパワーオン リセット フラグ
  • コンポーネントを最小限に抑え、設計を単純化する内部補正
  • 4 × 4 mm QFN パッケージ、PCB の設置面積が小さい

Part Number Specifications and Availability

Design Tools