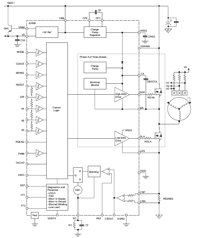
无刷直流驱动器

A3930 和 A3931: 汽车三相 BLDC 控制器和 MOSFET 驱动器

A3930-1

Product Details

Top Features

  • 适用于 N 通道 MOSFET 的大电流 3 相门极驱动器
  • 同步整流
  • 交叉传导保护
  • 适用于 100% PWM 的电荷泵和自动结束电荷泵
  • 集成整流解码器逻辑
  • 5.5 至 50 伏特的电源电压范围内工作
  • 全面诊断输出
  • 提供 +5 V 霍尔传感器电源
  • 低电流休眠模式

 

Part Number Specifications and Availability

Design Tools

Technical Documentation