有刷直流和步进电机驱动器

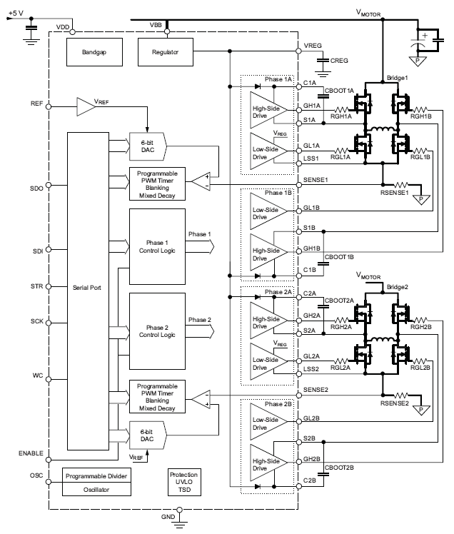
A3985: 数字可编程双路全桥式 MOSFET 驱动器

A3985

Product Details

Top Features

  • 串行接口适用于全数字式控制
  • N 通道 MOSFET 双路全桥门极驱动器
  • 双路 6 位 DAC 电流给定
  • 12 至 50 伏特的电源电压范围内工作
  • 同步整流
  • 交叉传导保护
  • 可调混合衰减
  • 固定停机时间 PWM 电流控制
  • 低电流空载模式

 

Part Number Specifications and Availability

Design Tools