稳压器

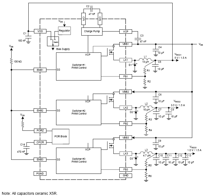
A4490: 三路输出降压开关稳压器

A4490

Product Details

Top Features

  • 三个降压转换器
  • 输入电压范围 4.5 至 34 V
  • 550 kHz 固定频率
  • 多相切换
  • 各转换器独立控制
  • 上电复位标志
  • 内部补偿
  • 4 × 4 mm QFN 封装, 小型 PCB

Part Number Specifications and Availability

Design Tools

Technical Documentation