稳压器

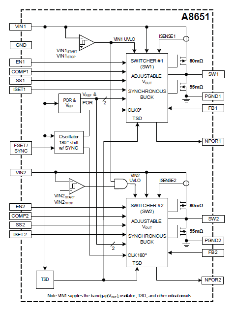
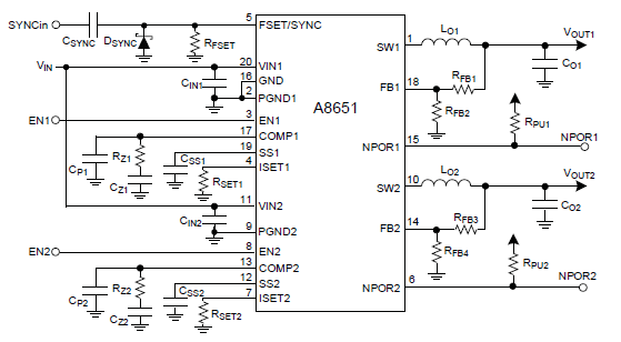
A8651:低输入电压,可调频率双同步 2 A / 2 A 降压稳压器,带同时性、2x EN 和 2x NPOR

A8651

Product Details

Top Features

  • 获得 AEC-Q100 认证
  • 工作电压范围:2.5 - 5.5 V
  • UVLO 停止阈值:2.25 V (最高)
  • 双路输出,每个稳压器的输出电流可以高达 2 A
  • 可调节输出电压最低可达 0.8 V
  • 内部 80 mΩ 高侧切换 MOSFET
  • 内部 55 mΩ 低侧切换 MOSFET
  • 可调节切换频率 (fSW):0.35 - 2.2 MHz
  • 与外部时钟同步:1.2 × - 1.5 × fOSC
  • 切换稳压器之间可以实现 180° 相移
  • 睡眠模式电源电流低于 5 μA
  • 通过 SS 针脚进行软启动时间外部设置
  • 能够实现预偏置启动
  • 外部可调节补偿
  • 兼容陶瓷输出电容器
  • 独立激活的输入和 NPOR 输出引脚
  • 7.5 ms (A8651) 或 120 μs (A8651-1) NPOR 延迟
  • 单稳压器可调电流限制 (OCP)
  • 打嗝模式短路保护 (HIC)
  • 过压和过热保护
  • 开路和相邻针脚短路保护
  • 每个针脚对地短路保护

Part Number Specifications and Availability

Design Tools