Allegro 电流传感器
Isolated, Programmable AC and DC Power Monitoring IC with I2C or SPI Interface
ACS37800
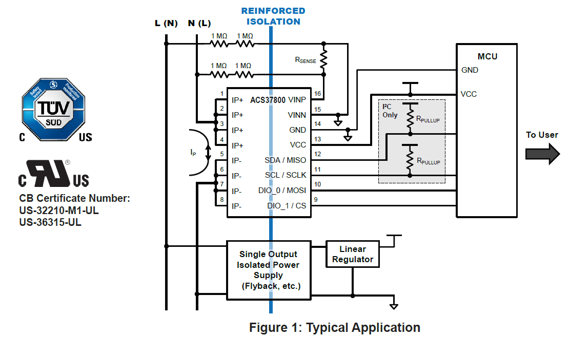
The ACS37800 is an integrated power monitoring IC designed for both AC and DC applications, offering accurate measurement of active, reactive, and apparent power, as well as power factor. It comes in two SOICW-16 package options, the MA and MC, both featuring reinforced isolation. The MC package is targeted towards higher current applications due to its lower internal conductor resistance, which minimizes power dissipation.
Product Details
Product Details
Top Features
- User-programmable VRMS under/overvoltage pin
- Dedicated voltage or current zero-crossing pin
- User-programmable overcurrent fault (OCF)
- I2C or SPI communication
- Programmable averaging on two out of the three outputs: voltage, current or power
Part Number Specifications and Availability
Technical Documentation
Application Note
Grounding Techniques for the ACS37800, Allegro's Power Monitoring IC: Ensuring Proper Device Functionality and Measurement Accuracy
Application Note
Package Thermal Resistance for Allegro Current Sensors with Integrated Conductors
Application Note
Glossary of Isolation-Related Terms for Integrated Current Sensors
Application Note
I2C Addressing and Fault Monitoring Using The ACS71020 or ACS37800 Power Monitoring IC Digital Input Output Pins
Application Note
Convenient and Isolated Power Measurements via SPI or I2C using ACS71020 or ACS37800 Power Monitoring ICs
Brochure
通过可持续性实现舒适性
Brochure
Brochure: Integrated Power Monitoring with the ACS37800
Certificate
CB Certificate US-32210-M3-UL
Certificate
Certificate CB US 36315 UL MA Package
Certificate
Certificate of Compliance 20190906-E316429
FAQ
Current Sensors FAQ
Guide