Regulators

Multiple-Output Regulator for Automotive LCD Displays

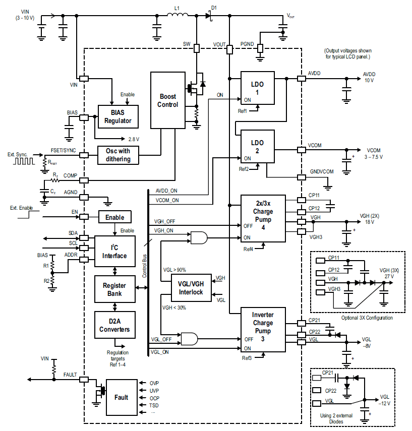
A8603

Product Details

Top Features

  • Automotive-grade AEC-Q100 qualified
  • Input voltage from 3 to 10 V
  • Four individual output supplies
  • Independent control of each output voltage
  • Boost switching frequency: 350 kHz to 2.25 MHz
  • External synchronization capability is available
  • Frequency dithering to reduce EMI
  • Less than 10 µA shutdown current
  • Protection features: overcurrent, overvoltage, short-circuit, and thermal overload protection
  • Fully programmable outputs through I2C
    • Regulator voltage
    • Startup/shutdown sequences
    • Fault retry counter

Part Number Specifications and Availability

Design Tools