稳压器

A8603:用于汽车 LCD 显示器的多输出稳压器

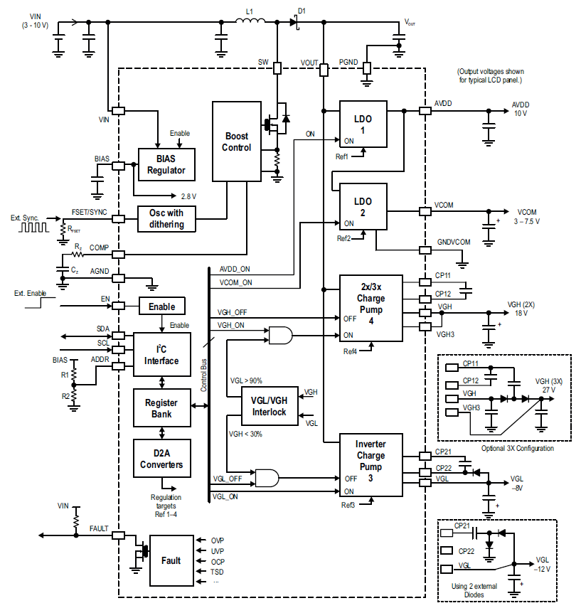
A8603

Product Details

Top Features

  • 符合汽车 AEC-Q100 标准
  • 输入电压 3V 至 10V
  • 四个单独输出电源
  • 独立控制每个输出电压
  • 提高开关频率:350 kHz 至 2.25 MHz
  • 提供外部同步功能。
  • 频率抖动以减少 EMI
  • 关断电流小于 10 µA
  • 保护功能:过电流、过电压、
  • 短路和热过载保护
  • 通过 I2C 实现完全可编程输出
    • 稳压器电压
    • 启动/关闭顺序
    • 故障重试计数器

Part Number Specifications and Availability

Design Tools