有刷直流和步进电机驱动器

A4990:自动双路全桥式驱动器

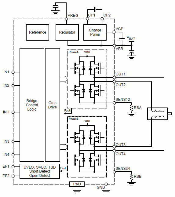
A4990

Product Details

Top Features

  • 两个全桥功率输出
  • 典型应用 ±800 mA,28 V
  • 可调峰值限流控制
  • 1.4 A 的最低过流关机
  • 在高环境温度下持续运行
  • 同步整流,减少功耗
  • 简单的并行接口控制
  • 反向和非反向输入
  • 无交叉电流
  • 休眠模式下低电流消耗
  • 错误标记诊断
  • 在开态过程中针对所有输出的开路负载诊断
  • 防过流的输出保护
  • 带有磁滞的过温保护
  • 过压与欠压锁定
  • 带有磁滞的 3.3 V/5 V 兼容输入
  • 热增强型封装(外露焊盘)
  • 完全集成在小型 TSSOP 封装中,面向空间敏感的应用

Part Number Specifications and Availability

Design Tools